ILS Approaches
Now we will introduce the Instrument Landing System (ILS) instrument approach procedures.
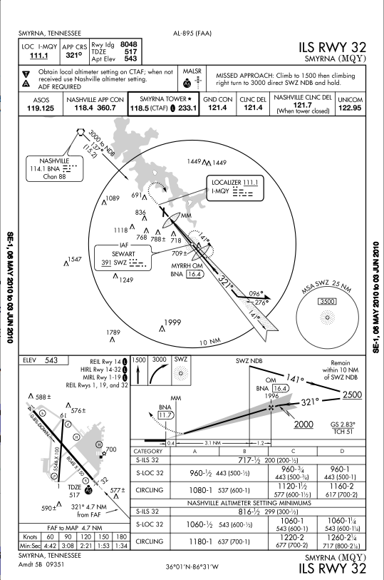
For this approach, we will simulate the Smyrna, TN (KMQY) ILS 32, approach chart below. Please note this chart is expired and should not be used for an actual instrument approach.
Here's the setup: We are simulating receiving vectors from ATC to the final approach course. This is how an ILS will begin 99% of the time in the real world. For the purposes of this page, we assume that we are East-south-east of the final approach course (perhaps somewhere near the end of the procedure turn barb) and ATC has assigned us a heading of 290° to intercept the localizer, and they have cleared us for the approach. It will sound something like the following when they issue the clearance:
"Cessna 733CS, five miles from MYRRH, turn right heading 290, intercept the localizer, maintain 2500 until established, cleared ILS 32 Smyrna".
You'll be expected to not only do that, but to acknowledge that instruction by repeating it. Something like the following is sufficient: "Nashville approach, Cessna 733CS, right to 290, 2500 until established, cleared ILS 32 Smyrna."
So below we have our trusty 172 and Bonanza panels at 2500 feet on a heading of 290° which will shortly allow us to intercept the localizer and final approach course of 321° You'll note the OBS (on the right) showing that we are still east of our course and we are below the glideslope. This is as it should be at this point.
This would be an excellent time to identify the localizer via the morse code through the Nav channel on our audio panel and navigation receiver. If you select the wrong frequency, or the ILS is out of service, your day may end badly if you neglect to identify it.
Hint: Remember as - Identify, Verify, CDI.
Lastly, a quick note about power settings. On this vector to the approach course, we need to slow the airplane down to our approach settings. In the 172, 1800-2000 RPMs should do the trick, and 16/2500 in a Bonanza or similar complex airplane.
Here is our Bonanza panel where the HSI shows the equivalent of our OBS above. We're east of course and below the glideslope. It's worth noting here, by the way, that it's generally preferred to intercept a glideslope from below as we are. Intercepting from above allows for a greater chance of interference and false glideslope signals.
As expected, we are now closing in on both the glideslope and the localizer. Note how both lines are closer to the middle of the OBS than in the previous picture. At this point, begin a standard rate turn to the final approach course of 321° and intercept and track the localizer inbound.
Same on the HSI of our Bonanza. Note the glideslope is represented by the small moving indicators on either side of the instrument.
A minute or so later and we're pretty much on the localizer, just to the right of course. We can edge back over, attempting to get our wind correction set properly at this point in the approach so we are not fighting it later, as we are close to the ground.
Also, get the airplane ready to land on this leg by checklist or GUMPS - once we intercept the glideslope we want to focus solely on flying the approach and landing the plane.
Same indications on the HSI. Note that the glideslope indicators are much more prominent in the instrument now.
So here we are at the glideslope intercept, in perfect alignment with our localizer approach course. This is what we want to see all the way down to approach minimums on our OBS.
Depending on the altitude at which you intercept, you should hear the outer marker beacon around this point. It is located 5 miles from the threshold, and the receiver (if your airplane has one) will emit a flashing blue light and you should hear - - - - (a series of morse code dashes).
In our trusty 172, we now need to reduce power to our descent power setting in order to maintain our airspeed at 90 knots. Try 1500-1600 RPMs, pitch down about 5° on the attitude indicator, and you'll maintain 4-500 fpm all the way down. The key at this point is to get the airplane both stable, and ready for landing.
In a Bonanza or complex airplane, typically all that is required is to lower the landing gear at the glideslope intercept. Depending on the airplane, you may find a slight power tweak or trim change is also necessary. One final point is that your VSI will indicate a slightly higher FPM than in a slower airplane (like a 172). Because we have a greater forward speed, we also need a greater vertical descent in order to maintain a 3° glideslope on an ILS approach.
And here we've started down, now at 2000 feet with the needles on the OBS still perfectly centered.
Same thing here. Note the VSI on the simulator is not like a normal VSI in that there is no lag at all in the instrument, so our descent rate here is not the normal 6-700 fpm it would otherwise be at this speed.
Oops, this is what it looks like when we go below the glideslope. This is what you DO NOT want. Correct it by leveling off using the attitude indicator (do not climb), reintercepting the glideslope, then resuming your descent.
Below the glideslope on the HSI.
Yikes! Now we've been concentrating so much on the glideslope, we also lost our way on the localizer. We are now to the left of our course, and below the glideslope. Correct right 5° to reintercept it the localizer while leveling off with the attitude indicator to reintercept the glideslope. If you find yourself correcting more than 5-10° on an ILS, you are over-controlling the airplane.
Same indication on our HSI, we are below glideslope and left of course. The fix is the same, correct by turning left 5° and level off to reintercept the glideslope.
We fixated on something and flew right through the center of the localizer course. Now we're low and to the right of course. Correct left 5°. This going back and forth is called "chasing the needles". It generally results from not nailing down our wind correction angle early in the approach and sticking to it, making only small adjustments as we descend. If you'll do that, the localizer will stay front and center without all the left and right corrections we're having to do now.
Same thing, wake up, sport! :)
Alright, now we've got our act together again. We are approximately 500 feet above minimums here, and the needles are going to get very sensitive. Very small corrections from here on out are the name of the game. All that's left is to keep the needles centered, descend to the decision altitude (717 feet for this approach), and determine if we have the runway or any other items necessary for continued descent in sight (listed below). If we don't, we must immediately execute a missed at the decision altitude.
According to FAR 91.175, we must have one of the following in sight to descent further from the decision height:
- The approach light system, except that the pilot may not descend below 100 feet above the touchdown zone elevation using the approach lights as a reference unless the red terminating bars or the red side row bars are also distinctly visible and identifiable.
- The threshold.
- The threshold markings.
- The threshold lights.
- The runway end identifier lights.
- The visual approach slope indicator.
- The touchdown zone or touchdown zone markings.
- The touchdown zone lights.
- The runway or runway markings.
- The runway lights.
Also note that somewhere near the decision altitude you will hear the middle marker beacon if the approach is equipped with markers and your airplane has the appropriate receiver. It is located approximately 1/2 mile from the threshold, and you should see an amber light and hear .- .- .-
HSI also shows localizer and glideslope pegged with 500 to go.
Ok, so that approach went well enough, but it was a zero wind approach, something that rarely occurs in real life. Let's start back at the point of intercepting and tracking the localizer, and let's add a 20 knot wind from 260° In order to track the localizer, we will have to adopt a wind correction angle of 15-20° left as shown below.
Note the left correction keeps our localizer centered perfectly on the HSI and OBS.
And then finally at 200 feet above minimums, note we have the same correction and the localizer and glideslope are still centered. In real life, the wind will vary slightly closer to the ground due to interference from buildings, trees, hills, etc. But establishing the wind correction angle properly at the beginning of the approach makes this minor variations easy to accomplish.
Our HSI-equipped Bonanza panel, also at 200 feet above decision altitude.
Common Mistakes
- Not identifying the ILS navigation signal
- Improper wind correction
- Turning too early or late to intercept the localizer
- Flying through the localizer
- Failure to configure the airplane for landing early in the approach
- Chasing the needles
- Over-controlling the airplane, especially at decision altitude approaches
ACS Test Standards
- Altitude +/- 100 feet
- Heading +/- 5°
- Airspeed +/- 10 knots
- CDI within 3/4 scale deflection